34+ farmall cub wiring diagram 6 volt


6 Volt Positive Ground Ihc Distributor Electronic Ignition Kit The Brillman Company


Farmall Cub Serial 501 To 115 402 4 Wire Complete Wire Harness The Brillman Company


1949 Farmall Cub A New Project Video 6 Polarize Generator First Drive Wiring Diagram Etc Youtube


49 Cub Wiring Diagram Farmall Cub


6 Volt Wiring Question Farmall Cub


1949 Farmall Cub A New Project Video 6 Polarize Generator First Drive Wiring Diagram Etc Youtube


How To Change A Farmall From A 6 Volt To A 12 Volt Ehow


6v Cutout Wiring Farmall Cub


Fits Ih Fits Farmall 6 Volt 4 Position Rotary Light Switch A B C H M Fits Cub Patio Lawn Garden Amazon Com


Farmall Cub Wiring Harness Part 2 Youtube


6v Cutout Wiring Farmall Cub


Farmall Cub Wiring Harness Main 6 Volt 1947 To 1949 351325r91


6 Volt To 12 Volt Conversion Faqs Antique Tractor Blog


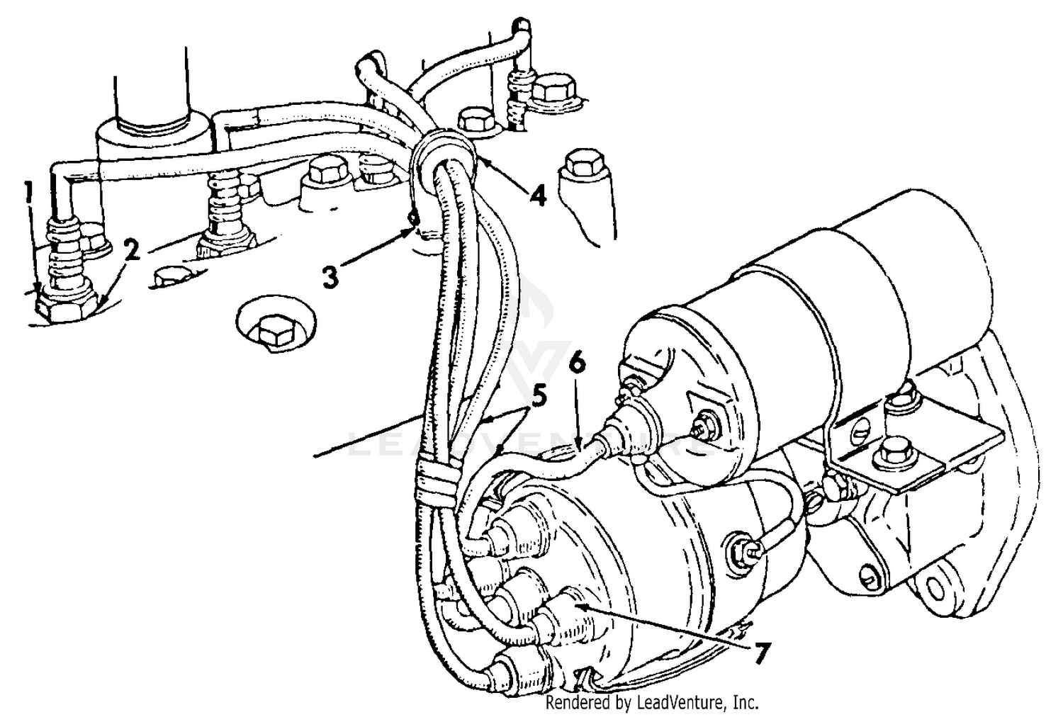
Cub Cadet Farmall Cub Tractor S N 222 501 To 224 704 Spark Plugs And Cables For Tractors With Coil And Distributor


Farmall Parts International Harvester Farmall Tractor Parts Ih


Farmall Wiring Diagram My Tractor Forum


6 To 12 Volt On Farmall Youtube


Kemptville062013 By Susan K Bailey Marketing Design Issuu

Iklan Atas Artikel

Iklan Tengah Artikel 1

Iklan Tengah Artikel 2

Iklan Bawah Artikel